Produk
Pemesinan Swiss Ketepatan
  • Pemesinan Swiss KetepatanPemesinan Swiss Ketepatan
  • Pemesinan Swiss KetepatanPemesinan Swiss Ketepatan
  • Pemesinan Swiss KetepatanPemesinan Swiss Ketepatan
  • Pemesinan Swiss KetepatanPemesinan Swiss Ketepatan

Pemesinan Swiss Ketepatan

Sanluo Precision ialah pengeluar dan pembekal terkemuka pemesinan Swiss ketepatan di China, dengan pengumpulan teknikal yang mendalam dalam pemesinan headstock gelongsor jenis Swiss berketepatan tinggi, menyediakan pelanggan dengan perkhidmatan pemesinan Swiss peringkat mikron. Kami menawarkan perkhidmatan pemesinan Swiss tersuai profesional untuk aeroangkasa, implantasi perubatan, instrumen optik, elektronik mewah dan bidang lain, menyokong penyesuaian bahagian yang rumit dan sukar. Kami menyedari pembuatan bahagian kecil berketepatan ultra tinggi, memenuhi sepenuhnya keperluan ketat pembuatan mewah untuk pemesinan jenis Swiss yang tepat.

Kapasiti Pemesinan Ketepatan

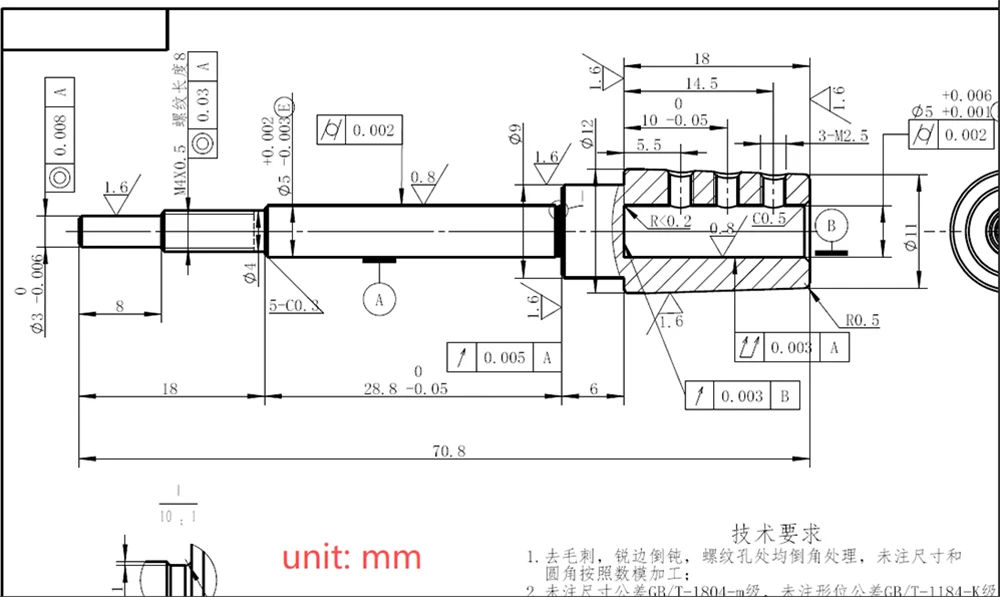
Kilang pemprosesan kami telah mencapai tahap tertinggi dalam industri dari segi kawalan ketepatan pemesinan Swiss ketepatan. Ketepatan dimensi: toleransi diameter ±0.002mm, toleransi panjang ±0.005mm, toleransi ketinggian langkah ±0.008mm, ketepatan muat gred H6/h5. Ketepatan geometri: kebulatan 0.003mm, silinder 0.005mm, kepekatan 0.005mm, serenjang 0.008mm, habisan 0.01mm. Kualiti permukaan: kekasaran permukaan Ra0.2~0.8μm, penggilapan ketepatan Ra0.1μm atau lebih, hampir dengan kemasan cermin. Ketepatan ulangan: ketekalan dimensi pemprosesan kelompok ±0.003mm, CPK≥2.0, keupayaan enam sigma 6σ. Ketepatan peralatan: ketepatan putaran gelendong 0.001mm, pelarian sesendal pemandu 0.002mm, ketepatan kedudukan ±0.001mm, kedudukan ulangan ±0.0005mm. Kawalan alam sekitar: bengkel suhu malar dengan suhu 20±0.5℃ dan kelembapan 50±3% untuk mengelakkan ubah bentuk haba dan memastikan ketepatan.


Ketepatan Stesen Pemesinan Switzerland Ketepatan

Ketepatan dimensi

OD

ID

T(C)

DP

DA

unit:±/mm

0.002

0.002

0.005

0.002

0.0001

Ketepatan geometri

Kebulatan

Keserasian

Kelurusan

silinder

Larian pekeliling

unit:±/mm

0.002

0.003

0.002

0.003

0.002

Kapasiti pengeluaran

1~999999 pcs

1~999999 pcs

1~999999 pcs

1~999999 pcs

1~999999 pcs

Kitaran pengeluaran

3-20 hari

3-20 hari

3-20 hari

3-20 hari

3-20 hari


Teknologi Peralatan Ketepatan

Sebagai pengilang profesional pemesinan Switzerland ketepatan, Sanluo Precision mempunyai peralatan canggih. Sistem sesendal panduan: sesendal panduan berketepatan tinggi, toleransi lubang dalam ±0.005mm, bahan tungsten karbida, rintangan haus yang baik, hayat perkhidmatan yang panjang, memastikan ketepatan pemesinan. Sistem gelendong: galas hidrostatik atau galas bebola seramik, ketepatan putaran 0.001mm, operasi berkelajuan tinggi tanpa getaran, pampasan suhu, pampasan automatik pemanjangan haba gelendong, ketepatan yang stabil. Sistem pengesanan: pengesanan dalam talian probe laser, ketepatan pengukuran ±0.001mm, pampasan automatik, kawalan gelung tertutup; penetap alat laser, ukuran panjang alat yang tepat, memastikan konsistensi. Kami menyediakan perkhidmatan pemesinan Swiss tersuai profesional untuk pelanggan global.


Parameter Teknikal Peralatan

Kategori Parameter

Butiran Parameter

Model peralatan

MultiSwiss 6X16

Jenama

Tornos

Kedudukan Teras

Pengeluaran besar-besaran bahagian kecil kompleks yang cekap

Bilangan Kapak dan Spindle

6 gelendong + 1 gelendong belakang pilihan

Kapasiti Pemesinan

Diameter pemesinan maksimum 16 mm

Sistem Spindle

Setiap gelendong mengawal kelajuan, pengindeksan dan kedudukan paksi C secara bebas; gelendong bawah pilihan dengan kelajuan maksimum 6000 r/min

Sistem Alat

Setiap stesen boleh memuatkan sehingga 4 alatan, jumlah kapasiti sehingga 18

Sistem CNC

Perisian pengaturcaraan Tornos TBDECO atau TISIS ISO

Kelebihan Teras

Pemprosesan selari berbilang gelendong, kecekapan pengeluaran beberapa kali ganda daripada pelarik paksi tunggal; versi paksi Y pilihan

Aplikasi Biasa

bahagian pemesinan swiss ketepatan, dsb


Kategori Parameter

Butiran Parameter

Model peralatan

siri SB

Kedudukan Teras

Pemprosesan bahagian kecil yang cekap berbilang gelendong

Bilangan Kapak dan Spindle

3 paksi, 4 gelendong

Kapasiti Pemesinan

Diameter pemesinan 16 mm atau 20 mm

Sistem Spindle

Kelajuan gelendong 6,000 - 10,000 rpm, kuasa standard 1 kW

Sistem Turret

Struktur rel panduan dovetail condong untuk meningkatkan ketegaran turet, 4 jenis turet pilihan

Fungsi Utama

Piawaian gelendong dilengkapi dengan kawalan paksi C

Kelebihan Teras

Pemprosesan yang pelbagai dengan menukar kombinasi alat, sesuai untuk pengeluaran besar-besaran bahagian kecil

Aplikasi Biasa

bahagian pemesinan swiss ketepatan, dsb


Precision Swiss Machining

Precision Swiss MachiningPrecision Swiss Machining

Precision Swiss MachiningPrecision Swiss Machining


Teg Panas: Pemesinan Swiss Ketepatan, Pengeluar, Disesuaikan
Hantar Pertanyaan
Maklumat Hubungan
Untuk pertanyaan tentang produk atau senarai harga kami, sila tinggalkan e-mel anda kepada kami dan kami akan berhubung dalam masa 24 jam.
X
Kami menggunakan kuki untuk menawarkan anda pengalaman menyemak imbas yang lebih baik, menganalisis trafik tapak dan memperibadikan kandungan. Dengan menggunakan tapak ini, anda bersetuju dengan penggunaan kuki kami. Dasar Privasi
Tolak Terima